Trofazni industrijski JGX-3 D4860 SSR 480V 60A

7 Feb, 2026
70 KM
57363ac447f1.jpg
93722b29739d.jpg
a7160709b0a8.jpg
e8118275c8db.jpg
191e5b7c033a.jpg
57363ac447f1.jpg
93722b29739d.jpg
a7160709b0a8.jpg
e8118275c8db.jpg
191e5b7c033a.jpg
Detalji
Država
Bosna i Hercegovina
Opis

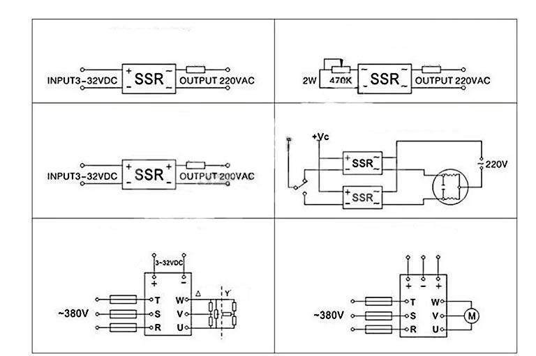
Trofazni industrijski SSR relej JGX-3 D4860


JGX-3 D4860 je industrijski trofazni poluprovodnički relej (SSR) namijenjen za pouzdano i tiho upravljanje trofaznim potrošačima u zahtjevnim industrijskim i profesionalnim aplikacijama.


Ovaj SSR omogućava brzo i sigurno uključenje i isključenje opterećenja bez mehaničkih kontakata, čime se postiže dug vijek trajanja, visoka pouzdanost i rad bez varničenja i buke.


Glavne karakteristike:
  • Upravljanje trofaznim AC potrošačima
  • Poluprovodnički princip rada bez mehaničkog habanja
  • Pogodan za grijače, industrijske peći, motore i sisteme industrijske automatizacije
  • Preporučena ugradnja na hladnjak (heatsink) radi efikasnog odvođenja toplote
  • Namijenjen za kontinuirani rad u industrijskim uslovima

Radni parametri (tipični za model D4860):
  • Upravljački napon (DC): 4–32 V
  • Radni napon (AC): do 480 V
  • Maksimalna struja: 60 A po fazi

Zahvaljujući robusnoj konstrukciji i stabilnom radu, JGX-3 D4860 predstavlja pouzdano rješenje za kontrolu velikih električnih opterećenja uz minimalno održavanje.




57363ac447f1.jpg
93722b29739d.jpg
a7160709b0a8.jpg
e8118275c8db.jpg
191e5b7c033a.jpg

Prijavi se

Oglasi su bolji ako ste registrovani. Za pristup svim funkcijama Oglasa, prijavite se.

Početna Traži Poruke Izbornik