Bojler kombinovani

15 Nov, 2025
500 KM
fdf6e6643663.jpeg
a7faa8ecabb9.jpeg
9c850bc2e2e0.jpeg
9d9534be06dd.jpeg
5c17eb5b89c0.jpeg
e0c533b9bdbc.jpeg
f293987a32ba.png
454e9e827249.png
fdf6e6643663.jpeg
a7faa8ecabb9.jpeg
9c850bc2e2e0.jpeg
9d9534be06dd.jpeg
5c17eb5b89c0.jpeg
e0c533b9bdbc.jpeg
f293987a32ba.png
454e9e827249.png
Detalji
Stanje
Korišteno
Opis
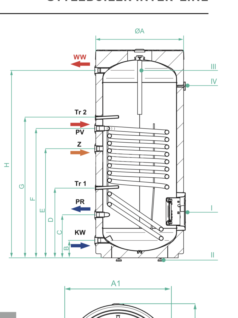
Bojler TOBLER, kupljen u CH i bio u sistemu grijanja sa BUDERUS peci na loz ulje. Kad radi grijanje imate toplu sanitarnu vodu a van sezone grijanja bojler koristi integrisane grijace. Grijanje prebaceno na toplotnu pumpu i zato je na prodaju. 
-zapremina 200 l
-radni tlak.6 bar
-max. radna temp 95 grad
-max. tlak u izmjenjivacu topline 3 bar
-max. temp. u izmjenjivacu topline 110 grad
-povrsina izmjenjivaca topline 1,2 m/kvadratna
-zapremina izmjenjivaca topline 6,7 l
-snaga: 2,0 - 2,66 - 4,0 kw, ovisi kako se povezu grijaci. 
Podatci uzeti sa naljepnice na njemu. Nikada nije spajan na struju. Ima mogucnost prikljucka cirkulacije ako je vodoinstalacija uradjena sa cirkulacionim vodom (da je topla voda odmah na slavini, bez cekanja)
Zadnja slika, nacin prikljucivanja:
KW-hladna voda iz mreze
WW-topla sanitarna voda
Z-cirkulacija
PV-ulaz vruce vode u izmjenjivac toplote (zmiju)
PR-izlaz vruce vode iz imjenjivaca toplote
063 889 849
PRODANO !!!!
fdf6e6643663.jpeg
a7faa8ecabb9.jpeg
9c850bc2e2e0.jpeg
9d9534be06dd.jpeg
5c17eb5b89c0.jpeg
e0c533b9bdbc.jpeg
f293987a32ba.png
454e9e827249.png

Prijavi se

Oglasi su bolji ako ste registrovani. Za pristup svim funkcijama Oglasa, prijavite se.

Početna Traži Poruke Izbornik